最新資訊
contact us
聯系我們
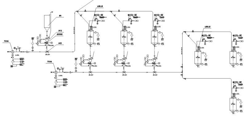
氣力輸灰系統堵管的應對措施
- 編輯 : 時間 : 2018-05-22 15:41 瀏覽量 : 906
相關新聞
- 豐暉環保助力杭聯熱電石灰石脫硫改造項目順利完成 05-28
- 發貨現場 |豐暉環保又一車滿滿當當的輸送設備發貨啦! 11-23
- 送健康·進企業·為企業辦實事——章丘東部片區領導走進豐暉環保 08-30
- 【戰“疫”·人物】 踐行雷鋒精神,豐源攜手戰“疫” 04-11
- 供料器的主要特點以及在氣力輸送應用的優勢 04-06
- 檢修氣力輸送閥門時應注意什么? 03-22
- 氣力輸送閥門使用注意事項 03-22
- 氣力輸送廠家在選擇輸送機類型時,最重要的因素是? 03-14
- 一個典型的氣力輸送系統需要包括哪些設備 03-14
- 氣力輸送系統有哪些部分組成? 02-21
