我國既是世界煤炭的資源大國,同時也是世界煤炭的生產、消耗大國,由于煤炭是不可再生資源,大量的消耗煤炭屬于一種不可持續的消耗,并且由于煤炭開采、使用技術的不成熟,在煤炭使用過程中造成了較為嚴重的環境問題。
比如空氣污染、粉塵嚴重、水土流失、土地塌陷等環境問題,地表受到嚴重破壞;在煤炭的開采生產過程中,會排放出大量的污水,對煤炭產地周圍的水源造成的嚴重的污染。
因此,在煤炭開采、使用中要注重于高效粉體輸送系統等一系列環保技術的應用,為日益嚴重的環境問題謀得解決空間。選擇高效的粉體輸送系統除塵技術對環境、社會發展具有重要意義。
燃煤電廠的電力粉體輸送系統除塵技術用到的是”電除塵器“,電除塵器是是燃煤電廠所必須要具備的一種配套設備,其主要功能是清除然灶或者鍋爐排放的煙氣中的顆粒粉塵,從而大幅度減少燃煤電廠排入空氣中的粉塵、煙塵量,是一種改善空氣質量、減少空氣中粉塵、提高環境質量的設備。

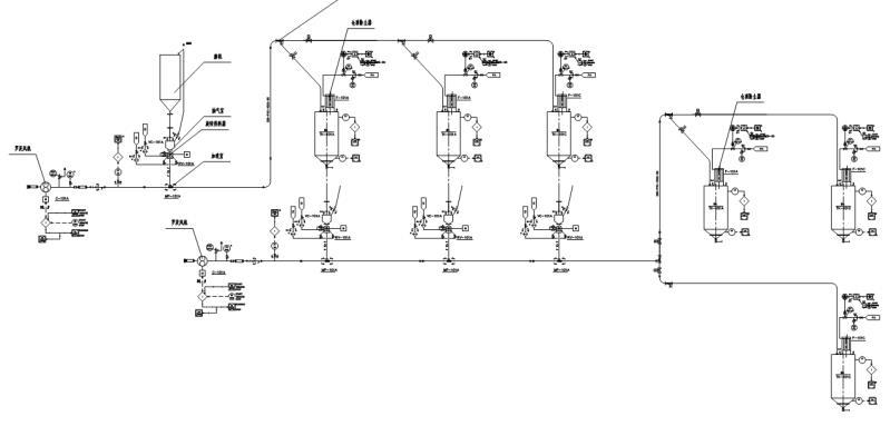
電廠中、高壓輸送粉煤灰系統工藝流程:
鍋爐燃燒產生的煙氣,經電除塵器過濾出塵,分別產生粗粉煤灰和細粉煤灰,由電廠灰斗分別卸入倉泵,在高壓氣體的作用下,輸送都粗灰庫和細灰庫。
粉體輸送系統采用高壓輸送粉煤灰,結構簡單,能耗低,便于維護和管理,能夠實現自動化控制。
在選擇我國的燃煤電廠煙氣的高效除塵技術時,應當注意從可持續發展、處理粉塵的效率、對環境的污染、能耗大小、成本高低等多個方面考慮,同時由于不同的煤礦中氰、硫等含有危害的化合物的含量不同;
因此,應當結合各個燃煤電廠各自的煤炭有毒化合物含量、燃燒所具有的特點,選擇適合各個燃煤電廠本身發展的煙氣高效除塵技術,一切以可持續發展、經濟發展、生態環境保護為重心,不可過度追求經濟發展而忽略可持續發展、忽略對生態環境的影響,為我國經濟的可持續發展、生態環境水平的提高做出應有的貢獻。
目前,我國煤炭使用量達到了世界煤炭使用量的一半,短期內煤炭仍然是我國能源的使用消耗主體,隨著煤炭的開采、使用的增多,伴隨而至的問題也日益增多;
比如空氣中粉塵顆粒含量過高,吸入粉塵顆粒對于人的呼吸道危害嚴重,全球變暖、海平線日益增高,環境污染問題日益嚴重;
因此,在煤炭的使用過程中,控制住粉塵顆粒產生的源頭日益重要。我國燃煤電廠的煙氣高效除塵技術粉體輸送系統對于我國的生態環境、人居環境的作用影響非常重要,我國的燃煤電廠應根據各個電廠的自身情況,量身選擇一套最適合本廠可持續、污染低、收益高的燃煤電廠煙氣高效除塵技術粉體輸送系統,為我國的經濟可持續發展、人民的安居樂業、環境污染的降低做出貢獻。