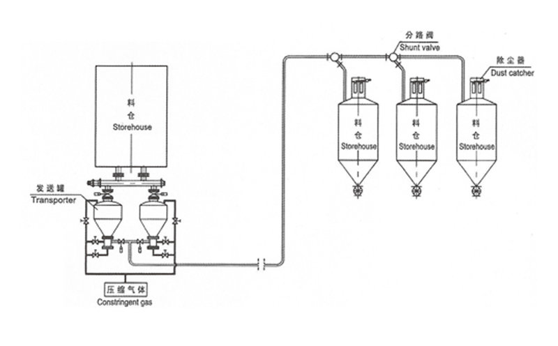
粉體輸送系統的概念:
粉體輸送系統是指利用空氣的壓力,將散狀物料通過管道進行傳輸的方法。粉體輸送系統風機廣泛應用于水泥、面粉、礦渣、除塵、氣力輸送等行業,輸送粉料、顆粒狀物品。
粉體輸送系統該系列羅茨風機還可廣泛應用于電力、化工、鋼鐵冶煉、水泥、氣力輸送、污水處理等部門和行業,輸送介質為清潔空氣。

氣力輸送系統的主要特點:
1.布置靈活,安裝簡便;
2.物料在封閉管道中傳輸,無粉塵外泄,環保無污染;
3.輸送過程中可同時實現多種工藝過程,如:混合、配料、分級、包裝、除塵等;
4.避免被輸送物料的受潮、污損和混入其他雜物,避免人工干預,保證產品質量;
5.對易燃易爆物料,可采用特殊保護氣體進行閉循環輸送,提高系統安全性;
6.降低包裝和裝卸費用;
7.可實現斷續或連續輸送,多點進料及多點卸料,方案靈活,選擇面廣;
8.運動零部件少,維修保養方便,可靠性高;
9.自動化程度高,適用于連續生產過程。
粉體輸送系統首先是適用性,這一點非常重要,成功的粉體密閉輸送與計量系統的成功應用就成功在適用性上,并且各種粉體物料的物理特性又千差萬別,這就要求在方案選型階段要充分做好物料特性分析,最好進行實際的物料試驗。
粉體輸送系統在試驗過程中需要的各種參數包括堆密度、粒度分布、流動性指標、粘連性、吸潮性、可燃性等等,這就要求設計者具有一定的經驗與預見性。
當物料適用性解決之后需要注意的是系統集成性,粉體輸送系統的整個過程可能會在水平方向經歷上百米的距離,垂直方向穿越幾個樓層,在幾個甚至十幾個不同設備工位進行工藝流程處理,所以系統集成能力非常重要。
系統集成性是粉體輸送系統粉體密閉輸送系統設計水平的一個重要指標。

粉體輸送系統選型的另一個重要原則是操作與維護方便性,采用粉體輸送系統設備進行密閉粉體輸送與處理后,可以大大減少人工操作的數量與強度,這就要求有更好的設備操作性與維護方便性,否則設備運轉不流暢,停機時間過長,總的效比可能還不及純人工操作,使系統失去價值與意義